cnc加工中直线导轨的几种安装方法分析
随着高精密cnc加工直线导轨在工业自动化当中应用的广泛性,掌握一定的安装技巧显得非常必要,正确的安装方式能够有效的提升导轨的使用寿命与应用精度,在无侧向定位装配面的安装中为了确保从动侧滑轨跟基准侧滑轨间的平行度;
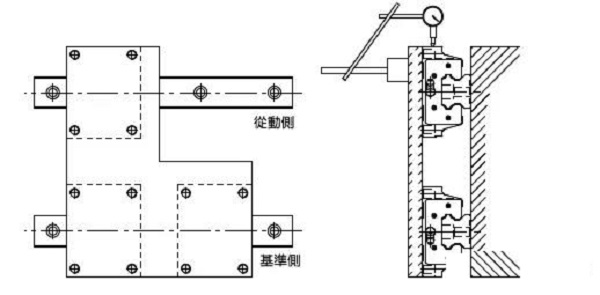
A、使用安装基准面的安装方式

首先使用装配螺丝将展现导轨底部基准面大概的固定于机床底部的装配面,然后使用虎钳将滑轨侧边基准面逼紧床台侧边装配面,以确定滑轨位置之后,使用扭力扳手,一定的扭力顺序锁紧紧固螺丝,将滑轨底部基准面逼紧床台底部的装配面;
B、从动侧直线导轨的安装
a、直线块规法
将直线块规置于两支直线导轨间,使用千分量表校准直线块规,使之与基准侧滑轨之侧边基准面平行,再依直线块规校准从动侧滑轨,从动轨的一端开始校准并依序以特定的扭力锁紧装配螺丝。
b、移动平台法
将直线块归置于两条直线导轨之间,使用千分表校准直线块规,让其与基准侧滑轨之侧边基准面平行,然后依靠直线块规校准从动侧滑轨,从动轨的一端开始校准并且依照顺序以特定的扭力锁紧装配螺丝;
将基准侧两个滑块固定在一个测定平台之上,而从动侧只装上一个滑块,滑块跟滑块都尚未固定在床台跟平台,使用附着于从动侧滑块顶面千分量表,测量侧从动滑块的侧基准面,从动直线导轨的一端开始校准并且依照顺序以特定的扭力紧锁装配螺丝;
c、效仿基准侧滑轨法
将基准侧直线导轨的两个滑块从动侧导轨其中一个滑块固定于平台,然后将从动侧滑轨以及另外一个滑轨约略分别固定在床台跟平台,以基准侧滑轨为移动平台,从滑轨一段开始,一边确定从动侧直线导轨的滚动阻力,一边依照顺序以特定的扭力锁紧装配螺丝;
d、专用工具法
使用专业的工具来确定从动滑轨的位置,并且依照顺序以特定的扭力锁紧装配螺丝的方法;
以上便是直线导轨的几个安装方式,希望能够对您有所帮助,深圳市鸿威盛精密科技有限公司专注于高精密零件的定制与批量化制造,如果您有相关的产品需求,欢迎您致电鸿威盛,我们将竭诚为您服务;


